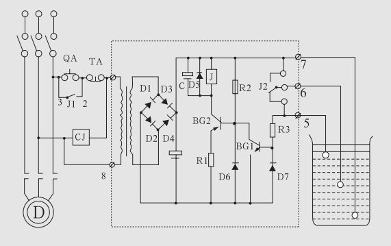
液位继电器接线图中的E1E2E3的工作原理
的有关信息介绍如下:工作原理:检测液位的方式是通过液体对电极造成短路接通电极回路,
使继电器励磁接通,由继电器的接点输出接点信号。
当液面低于低液位电极时,由于电极间没有被短路而使继电器开路;
当液位高于低液位电极,低于高液位电极时,低液位电极被短路使低液位继电器励磁输出接点信号显示液位已高于某个值;
当液位高于高液位电极时,高液位电极被短路接通,高液位继电器励磁输出接点信号,
同时通过连锁作用将低液位继电器信号屏蔽,显示液位已达到某个定义的高液位。




