位置度
的有关信息介绍如下:
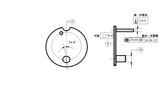
位置度是一个形体的轴线或中心平面允许自身位置变动的范围﹐即一个形体的轴线或中心平面的实际位置相许变动范围,是限制被测要素的实际位置对理想位置变动量的指标。位置度公差在评定实际要素位置的正确度,是依据图样上给定的理想位置。位置度包括点的位置度、线的位置度和面的位置度。
想要了解更多“位置度”的信息,请点击:位置度百科

位置度是一个形体的轴线或中心平面允许自身位置变动的范围﹐即一个形体的轴线或中心平面的实际位置相许变动范围,是限制被测要素的实际位置对理想位置变动量的指标。位置度公差在评定实际要素位置的正确度,是依据图样上给定的理想位置。位置度包括点的位置度、线的位置度和面的位置度。
想要了解更多“位置度”的信息,请点击:位置度百科